Section : Standard sections
Section dimensions
Standard sections can be rectangular, circular, I, channel, T or angles, etc. Rectangular and circular sections can be either solid or hollow. Specify the overall external dimensions of the section and the thickness of component parts as shown in standard sections below.
Transform section
The basic section may not be in the required orientation, so there is an option to rotate and translate sections. By default this is not offered.
Standard sections
The standard sections are identified by a code for the section shape, followed by a list of dimensions defining the section. The section shape descriptors can be followed by an optional unit if the section is not defined in mm, where the shapes are:
| Section shape | Shape code | Dimensions | Description |
|---|---|---|---|
| Rectangular | R | ||
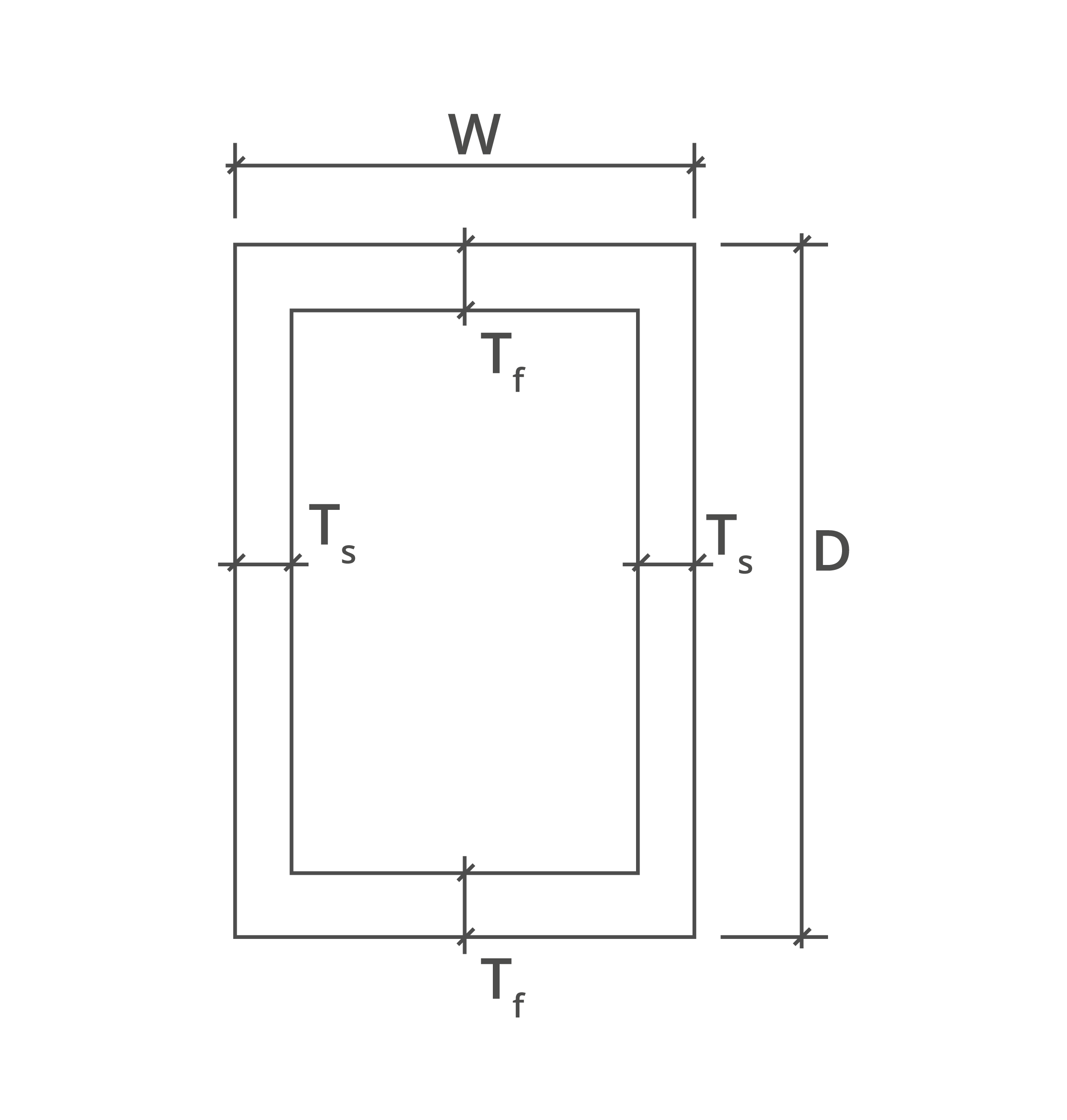
| Rectangular hollow | RHS | Note that top and bottom flanges are always the same thickness, as are left and right walls of a rectangular hollow section. | ![]() |
| Circular | C | ||
| Circular hollow | CHS | ![]() | |
| I section | I | ||
| Tee | T | ||
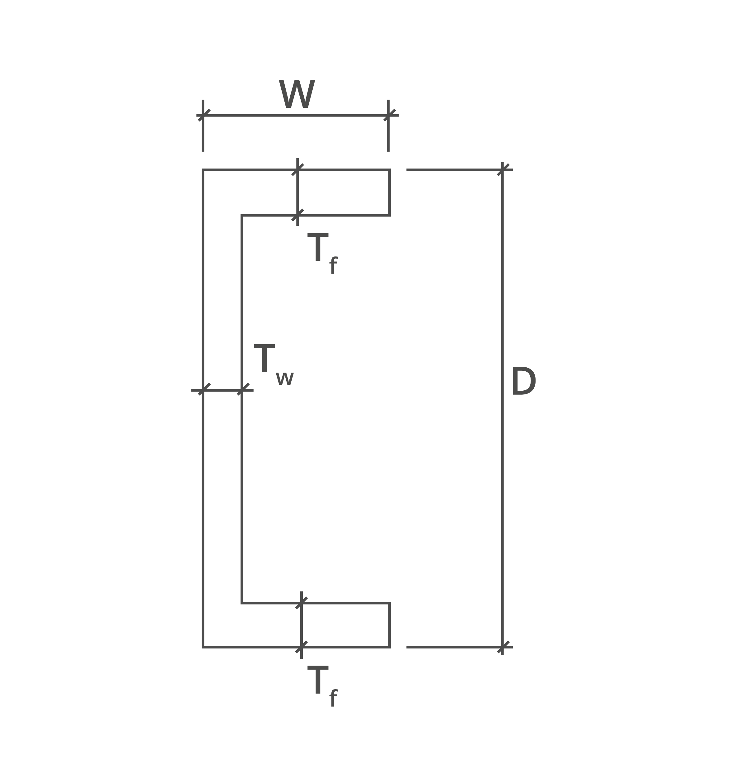
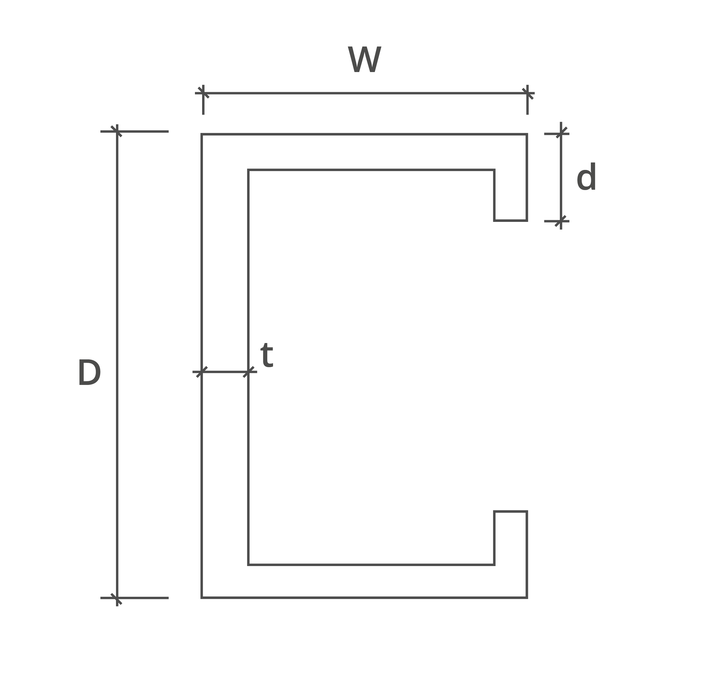
| Channel | CH | ![]() | |
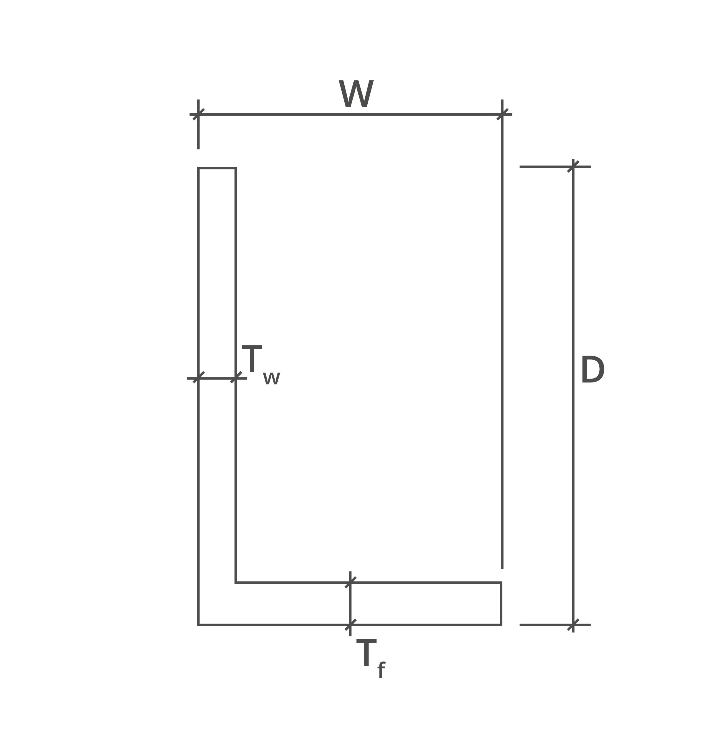
| Angle | A | ![]() | |
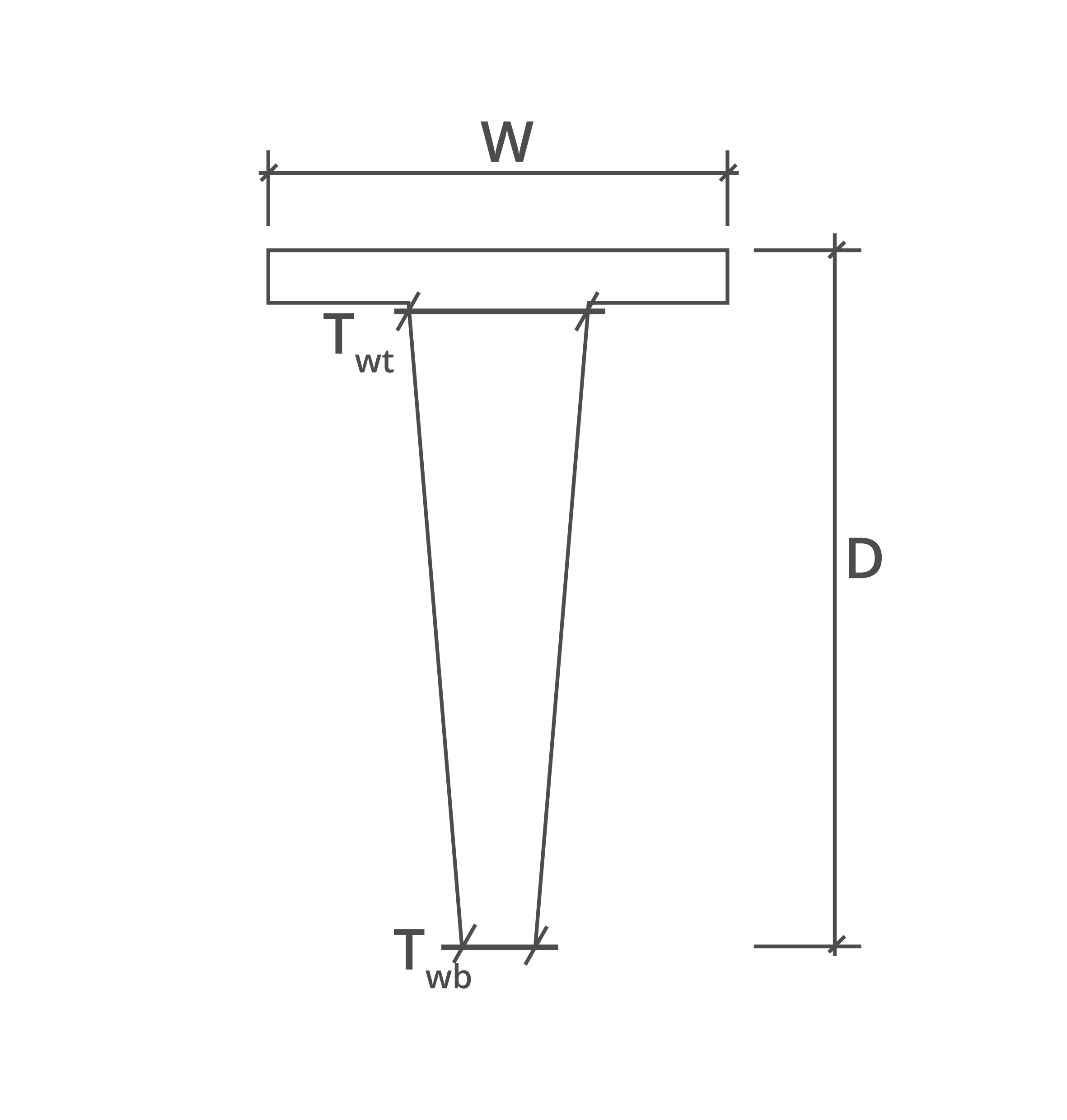
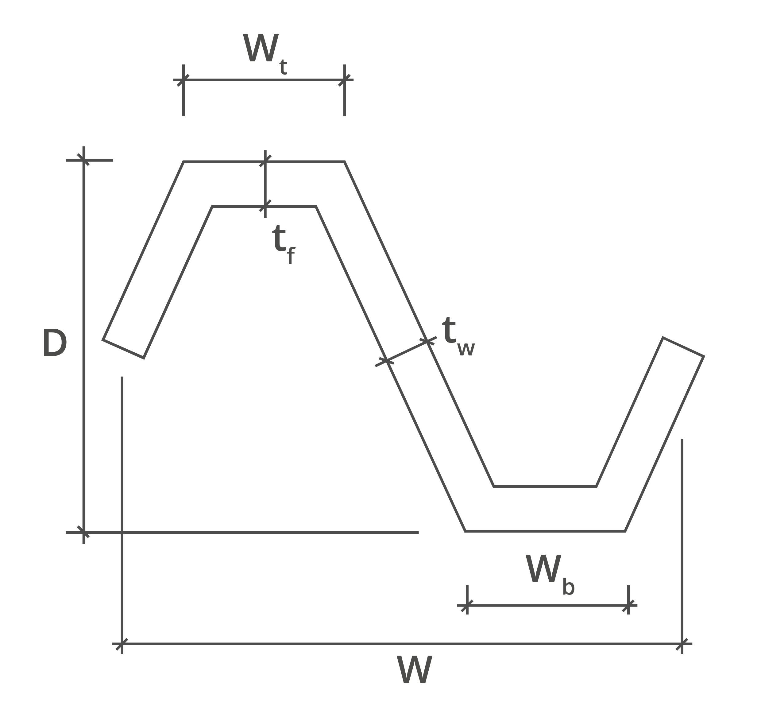
| Taper | TR | ![]() | |
| Ellipse | E | Ellipse index (n) - This field is only available for the ellipse section type. It allows superellipses to be entered. A value of 1 corresponds to a diamond, 2 to an ellipse, and ∞ to a rectangle. | ![]() |
| General I section | GI | ||
| Taper T section | TT | ![]() | |
| Taper angle section | TA | ![]() | |
| Recto-circular | RC | ![]() | |
| Recto-ellipse | RE | ![]() | |
| Taper I section | TI | ||
| Secant pile section | SP | ![]() | |
| Secant pile wall | SPW | ||
| Oval | OVAL | ![]() | |
| General C | GC | ![]() | |
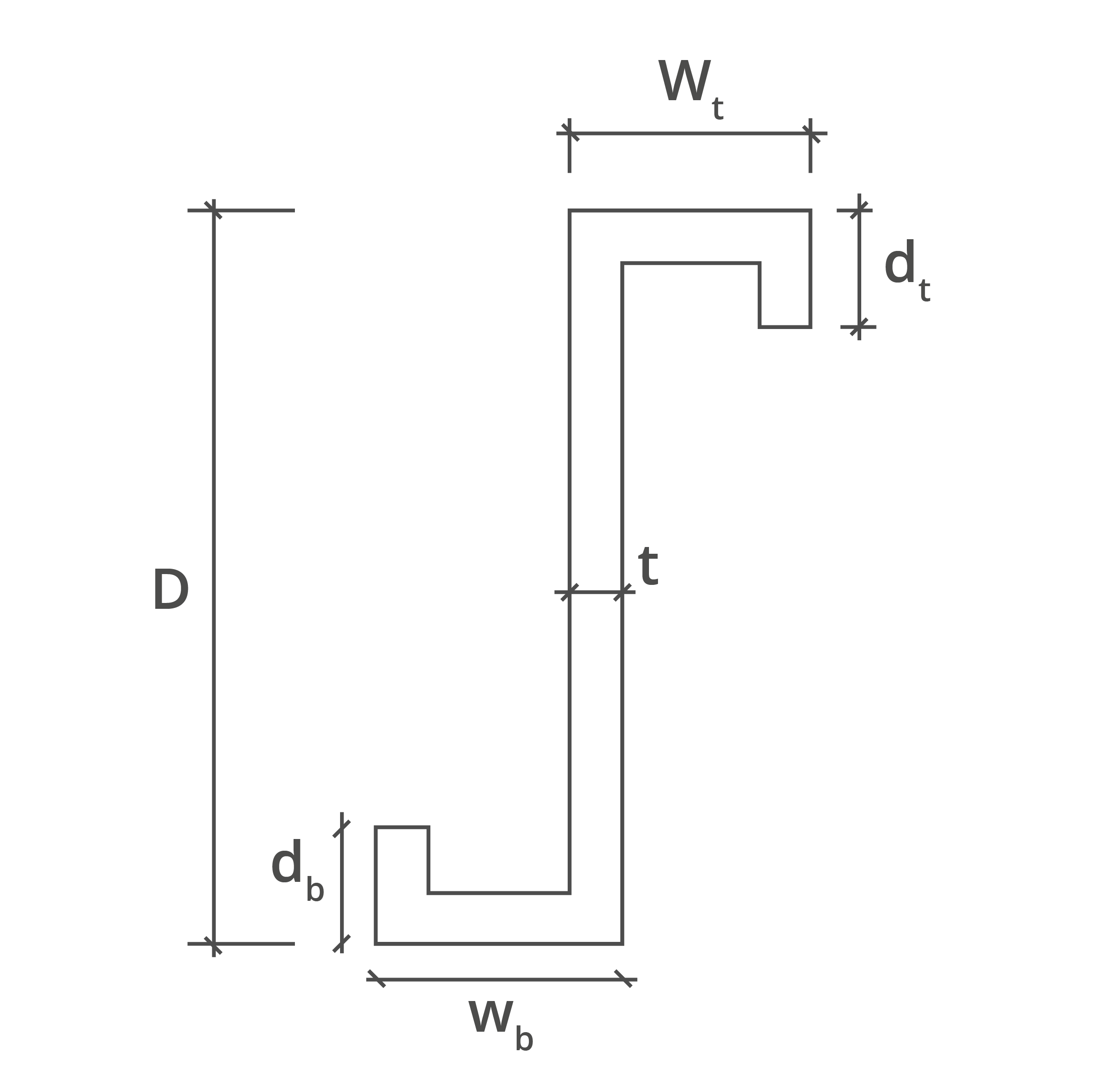
| General Z | GZ | ![]() | |
| Cruciform | X | ![]() | |
| Cellular/catellated | CB | ![]() | |
| Sheet pile | SHT | ![]() |
Note:
| Symbol | Definition |
|---|---|
| width | |
| bottom width | |
| flat width | |
| top width | |
| distance between pile centres | |
| depth, diameter | |
| flat depth | |
| order (ellipse only) | |
| number of piles | |
| thickness | |
| flange thickness | |
| top flange thickness | |
| bottom flange thickness | |
| web thickness | |
| top web thickness | |
| bottom web thickness |
so the section description is as follows:
STD <Shape(unit)> <Dimension> <Dimension>…
Thus a 320 × 120 rectangular section would be
STD R 320 120
or an 8in diameter circular section would be
STD C(in) 8
















